羅茨風機葉輪間隙調整
瀏覽: 發布日期:2022-11-11
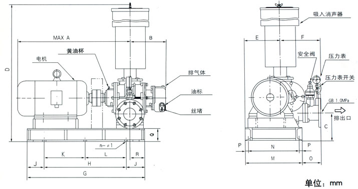
羅茨鼓風機,也稱作羅茨風機,系屬容積回轉鼓風機,利用兩個或者三個葉形轉子在氣缸內作相對運動來壓縮和輸送氣體的回轉壓縮機。這種鼓風機結構簡單,制造方便,適用于低壓力場合的氣體輸送和加壓,也可用作真空泵。

操作羅茨鼓風機的時候需要掌握哪些
介質中微粒的含量不得超過100mg/m3,微粒尺寸不得超過工作間隙的一半。
輸送介質的進汽溫度通常不得大于40℃。
使用壓力不得高于銘牌上規定的升壓范圍。
運轉中軸承溫度不得高于95℃,潤滑油溫度不高于65℃。
羅茨鼓風機運行時,主油箱、副油箱油位在油位計兩條紅線之間。
羅茨鼓風機葉輪與機殼、葉輪與側板、葉輪與葉輪間隙出廠時已調好,重新裝配時要保證該間隙。

相關新聞
- 2025-10-29氣力輸送羅茨風機型號選型方法
- 2025-10-29160kw羅茨鼓風機如何選型風量風壓參數
- 2025-10-28羅茨風機的拆卸與安裝方法
- 2025-10-28132kw羅茨鼓風機安裝方法
- 2025-10-28132kw羅茨鼓風機型號規格參數表







