三葉羅茨風機參數
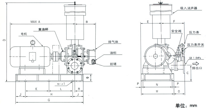
三葉羅茨鼓風機與二葉型相比,氣體脈動性小,振動也小,噪聲低。風機兩根軸上的葉輪與橢圓形殼體內孔面,葉輪端面和風機前后端蓋之間及風機葉輪之間者始終保持微小的間隙,在同步齒輪的帶動下風從風機進風口沿殼體內壁輸送到排出的一側。兩只轉子均固定於一組同步齒輪上,因此轉動時,汽缸和轉子間維持著相當微小的間隙,使其不互相接觸,一般情形其間隙大約在十分之幾毫米。因為彼此不相摩擦,故可以高速運轉而獲得大的風量或排氣速度。風機內腔不需要潤滑油,結構簡單,運轉平穩,性能穩定,適應多種用途,已運用于廣泛的領域。

三葉羅茨風機型號性能參數:
羅茨鼓風機的轉速為150~3000轉/分鐘。流量為0.15~1200立方米/分鐘,壓力為9.8~196千帕,功率為0.75~1000千瓦,單機重量為100~9000千克。

三葉羅茨風機運行調節:
根據流體力學理論,氣體的流動過程將伴隨著損失。例如,氣體流過節流裝置后,氣流的壓力會相應減少,也就是它們損失了風機的有用功。由于這一切都是在風機輸送氣體的過程中發生的,也就是浪費了風機的能量。
相關新聞
- 2022-11-09三葉羅茨風機參數
- 2025-10-29氣力輸送羅茨風機型號選型方法
- 2025-10-29160kw羅茨鼓風機如何選型風量風壓參數
- 2025-10-28羅茨風機的拆卸與安裝方法
- 2025-10-28132kw羅茨鼓風機安裝方法







