污水處理曝氣羅茨風機作用及安裝結構圖
污水處理曝氣羅茨風機作用:
羅茨鼓風機在污水處理行業的作用,用通俗易懂的話來說就是強制送氣,輸送氧氣等氣體來分解微生物,最終達到,處理污水的作用。
微生物在接觸氧化處理中,好氧微生物在氧化分解有機物時要消耗氧氣,因而需要向污水中及時補充溶解氧。
采用微孔曝氣器氧的轉移率為25%-32%.羅茨鼓風機系屬容積式鼓風機,是污水處理廠生化反應過程中鼓風傳氧曝氣的基本設備。
羅茨鼓風機的特點是使用時當壓力在允許范圍內加以調節時流量之變動甚微,壓力選擇范圍很寬,具有強制輸氣的特點。
污水處理曝氣羅茨風機作用及特點:
羅茨風機輸送時介質不含油。
結構簡單、維修方便、使用壽命長、整機振動小。
羅茨鼓風機輸送介質為清潔空氣,清潔煤油,
二氧化硫及其他隋性氣體,鑒于具有上述特點,因而能廣泛應用于各種規模城市污水處理廠曝氣沉砂工藝過程中以及小城市污水處理廠生化反應過程的鼓風曝氣。
污水處理羅茨風機為什么使用很廣泛:
羅茨鼓風機因其原理、結構簡單,性能穩定,便于管理和維護的優點,廣泛應用于污水處理行業。
要想羅茨鼓風機安全穩定運行,增長使用壽命,需要對設備做常規范的檢查和維保,加強設備的檢查制度,發現異響或者運行不穩定要及時排除故障,才能使機器長期有效穩定的運轉。
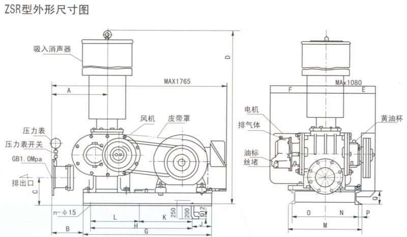
下圖是污水曝氣羅茨鼓風機外形尺寸圖,特點高壓,高功率,污水深的廠家用的比較多。
以上即是羅茨鼓風機在污水處理行業的作用。


相關新聞
- 2023-04-03污水處理曝氣羅茨風機作用及安裝結構圖
- 2023-03-27污水處理曝氣鼓風機安裝注意事項以及結構圖
- 2023-03-23污水處理曝氣風機安裝圖及結構拆解圖
- 2023-03-23污水處理曝氣風機工作原理及作用特點
- 2025-10-29氣力輸送羅茨風機型號選型方法







